PRODUCTOS
- Reducción de tamaño
Vary-Kut picadora en línea
Especificaciones
Modelo 300-8 Vari-Kut
Requisitos de aire:
5 cfm a 100 psi
Grupo motor (trifásico 60 HZ):
104/52 A 25 hp 230/460V
Agua de enfriamiento:
hasta 8 gpm
Modelo 300-11 Vari-Kut
Requisitos de aire:
5 cfm a 100 psi
Grupo motor (trifásico 60 HZ):
68/34 A 40 hp 230/460V 104/52 A
Agua de enfriamiento:
hasta 8 gpm
Caracteristicas
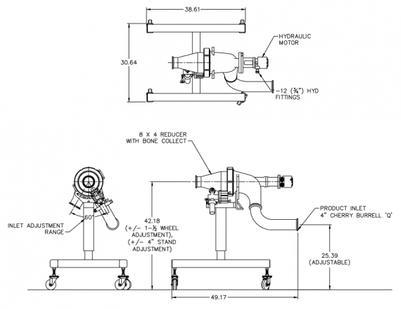
- La versátil picadora en línea de Marlen se puede utilizar para varias aplicaciones de procesamiento. Cuando se alimenta con una bomba Marlen, la Vari-Kut ofrece una mejor definición de las partículas y menos manchas y daños celulares, con solo un aumento mínimo de temperatura
- El bastidor de la picadora (codo) se ha realizado con un diseño de acero inoxidable que asegura años de funcionamiento seguro sin oxidación
- El motor de la cuchilla hidráulica con velocidad variable permite controlar la longitud de corte de las partículas lo que ayuda a mantener el control de la longitud de las partículas incluso cuando se alimentan múltiples máquinas en procesos posteriores
- La picadora Vari-Kut utiliza placas y cuchillos estándares y fácilmente accesibles. Disponible en dos tamaños (8-5/8″ y 11″).
- El cabezal de la picadora en línea puede rotar 360 grados completos para permitir una variedad infinita de aplicaciones de procesamiento. Se puede montar en la bomba o en una ubicación remota, y se acopla fácilmente a equipamiento auxiliar.Un sistema opcional y automático de recogida de huesos elimina los fragmentos rechazables y se puede añadir una opción de envasado al vac´´io para mejorar el color y la vida útil del producto.
- La velocidad de corte se controla mediante el motor hidráulico y funciona independientemente de la productividad de la bomba. Este funcionamiento independiente da al procesador un control absoluto de la textura del producto y de la longitud de corte para maximizar el aspecto del producto.
- Las hojas de la cuchilla se han diseñado para realizar un corte limpio y preciso que genera una definición consistente de las partículas sin dejar manchas. El diseño de corte único permite tiempos de secado menores y mayor vida útil.
- La picadora en línea ofrece una recogida continua en línea para generar un producto de la máxima calidad.
- El diseño de corte único da a los procesadores un corte limpio y consistente y permite ahorrar en las formulaciones
- Marlen International también ofrece componentes Marlen para la picadora en línea
- Fabricada en Estados Unidos
Información Técnica
Descripción del Producto
La Vari-Kut picadora en línea de Marlen es un sistema de reducción de partículas con control de velocidad variable. Se la considera una de les mejores máquinas picadoras del sector.
Folletos
AdvantEdge Series Dicers-Slicers Brochure
Descargar
Grapas Nacionales de México, SA de CV
Cráter 644
Jardines del Pedregal
01900 Ciudad de México, México
Cráter 644
Jardines del Pedregal
01900 Ciudad de México, México
T: +52 55 5652-8960
F: +52 55 5652-6671
ventas@wrapmex.com
F: +52 55 5652-6671
ventas@wrapmex.com
